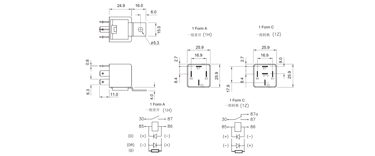
Main Features
60A continuous current capacity
Automotive-oriented design
Fully standardized quick connect size and layout
Plastic cover for rough environment protection
Typical automotive Applications
Head lights Starter relay
Fog lamp Radiator cooling
Signal horn Power window
Blower motor control ABS system



English


















